Inquiry List( 2 )
Products
Cam Lock
DEAD BOLT LOCK
KEYLESS CAM LOCK
MAILBOX LOCK
SINGLE BITTED CAM LOCK
TUBULAR CAM LOCK
DOUBLE BITTED CAM LOCK
Switch Lock
Handle Lock
Furniture Lock
Vehicle Lock
Latch
Sash Lock
Others
PC Accessory Parts
Hinge
Cam Lock
Products > Cam Lock >
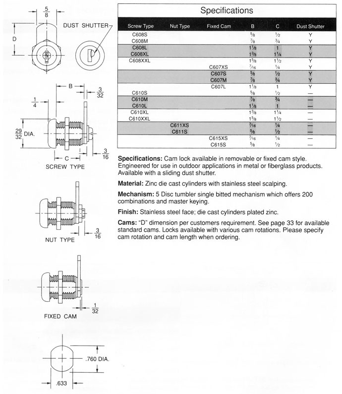
SINGLE BITTED CAM LOCK
> C610
No.
ĄG
C610
Product NameĄG
SINGLE BITTED CAM LOCK
DESCRIPTION
ĄG
KEY-PULL FIGURES
ĄG
Related products
more....
PC610
SINGLE BITTED CAM LOCK
C1091
SINGLE BITTED CAM LOCK
C650
SINGLE BITTED CAM LOCK
C625
SINGLE BITTED CAM LOCK
ILLINOIS LOCK (TAIWAN) CO., LTD Copyright © 2009 All Rights Reserved.
AddressĄG17F., No. 908, Jingguo Rd., Luzhu Dist., Taoyuan City 338, Taiwan 338 Ą@
TelĄG886-3-3254688, 3254088, 3254488,86-755-28890932Ą@FaxĄG886-3-3169699,86-755-28890521